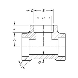
El tee forjado recto es un componente esencial en sistemas de tuberías, caracterizado por sus tres conexiones del mismo diámetro diseñadas para distribuir o reunir flujos de fluidos, gases o vapor de manera uniforme. A diferencia de los tees reductores, su configuración simétrica garantiza una distribución equilibrada del caudal, eliminando desequilibrios de presión que puedan afectar el rendimiento del sistema, característica que lo convierte en un elemento fundamental en aplicaciones industriales donde se requiere un flujo constante y estable.
|
Tamaño |
DN15(1/2")~DN600(24") |
|
Nivel de presión |
Clase 2000~6000 |
|
Tipo de hilo |
TNP, BSPP, BSPT |
|
Certificado |
PED,AD2000,EAC, ABS,BV, DNV,NORSOK M650, ISO9001,ISO14001,ISO45001,etc. |
|
Introducción a la función |
Permite realizar giros de 45° en la tubería. Su diseño con conexión roscada optimiza el espacio de instalación, lo que lo hace idóneo para configuraciones de tuberías compactas. |
|
Campos de aplicación |
Diseñado para sistemas de tuberías de alta presión, adecuado para la conexión y dirección de piezas clave como refinación de petróleo, equipos de energía nuclear, equipos químicos, recipientes a presión de calderas, etc. |
|
Embalaje |
Paquete apto para el mar, cajas de madera contrachapada o palets o según los requisitos del cliente |
|
Productos destacados |
1. Pedido mínimo para series pequeñas; |
Sus ventajas incluyen una integridad estructural robusta (la forja minimiza los riesgos de agrietamiento), una fácil integración (las conexiones soldadas/roscadas se adaptan a tuberías estándar) y una larga vida útil. Al permitir un flujo uniforme, reduce el desgaste de los componentes aguas abajo, lo que lo hace esencial para operaciones de tuberías confiables y eficientes.
Desde la materia prima hasta la entrega final،mantenemos un control riguroso en cada etapa para garantizar la durabilidad, el rendimiento y la consistencia.
01
02
03
04
05
06
07
08
09
10
11
12
Nuestra empresa es un fabricante profesional de componentes para tuberías a presión. Nuestra gama de productos abarca accesorios de soldadura a tope, soldadura a casquillo (Socket weld) y roscados, incluyendo bridas y piezas personalizadas no estándar. Estos productos se utilizan ampliamente en industrias como petróleo y gas, procesamiento químico, generación de energía, construcción naval, fabricación de papel, metalurgia, farmacéutica y procesamiento de alimentos. Fabricamos de acuerdo con estándares como GB, HG, DL, SH, SY, ASME, MSS, DIN y EN, y contamos con una gama completa de equipos de inspección, un sistema estricto de control de calidad y diversas certificaciones, lo que nos consolida como un referente en el sector industrial.
